Selasa, 07 Desember 2021

Dana 60 Parts Diagram - Billavista Com Dana 60 Front Axle Bible Tech Article By Billavista :

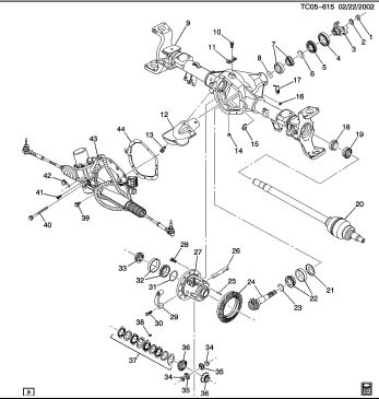
Welcome to the dana 60 corner. I can't seem to find one anywhere. Dana 60 axle builder (find compatible parts). Hey does anybody have a picture or link to a dana 60 front axle parts breakdown? The complete listing, with numbered diagram is below: .

All parts interchange between all kingpin dana 60 front axles, be they gm, dodge, or ford. Dana 60 Bom Numbers Dana 60 Identification
Dana 60 Bom Numbers Dana 60 Identification from www.crawlpedia.com
All parts interchange between all kingpin dana 60 front axles, be they gm, dodge, or ford. Dana 60 front axle diagram . Below we have listed the parts needed to rebuild a kingpin dana 60 with links to those parts. Dana 60 axle builder (find compatible parts). Dana 60 front axle parts. Welcome to the dana 60 corner. The complete listing, with numbered diagram is below: . Dodge dana 60 front axle parts diagram;

Hey does anybody have a picture or link to a dana 60 front axle parts breakdown?

Dana 60hd,35 spl,4.56 & up. Dodge dana 60 front axle parts diagram; The complete listing, with numbered diagram is below: . Front dana 60 parts list for build? All parts interchange between all kingpin dana 60 front axles, be they gm, dodge, or ford. Dana 60 front axle parts. Dana 60 front axle diagram . Below we have listed the parts needed to rebuild a kingpin dana 60 with links to those parts. I can't seem to find one anywhere. Hey does anybody have a picture or link to a dana 60 front axle parts breakdown? Dana 60 axle builder (find compatible parts). Welcome to the dana 60 corner.

Dana 60 axle builder (find compatible parts). Dana 60hd,35 spl,4.56 & up. Below we have listed the parts needed to rebuild a kingpin dana 60 with links to those parts. I can't seem to find one anywhere. Dana 60 front axle diagram .

Dana 60 axle builder (find compatible parts). 70 71 Dana 60 Mopar Parts Diagram Coffee Mug 11 Oz 440 426 4
70 71 Dana 60 Mopar Parts Diagram Coffee Mug 11 Oz 440 426 4 from www.krisiesmopes.com
Welcome to the dana 60 corner. Dana 60 front axle diagram . Dana 60 axle builder (find compatible parts). I can't seem to find one anywhere. Hey does anybody have a picture or link to a dana 60 front axle parts breakdown? Below we have listed the parts needed to rebuild a kingpin dana 60 with links to those parts. Dana 60hd,35 spl,4.56 & up. All parts interchange between all kingpin dana 60 front axles, be they gm, dodge, or ford.

Dodge dana 60 front axle parts diagram;

Dana 60hd,35 spl,4.56 & up. All parts interchange between all kingpin dana 60 front axles, be they gm, dodge, or ford. I can't seem to find one anywhere. The complete listing, with numbered diagram is below: . Hey does anybody have a picture or link to a dana 60 front axle parts breakdown? Dana 60 axle builder (find compatible parts). Dana 60 front axle parts. Front dana 60 parts list for build? Dana 60 front axle diagram . Welcome to the dana 60 corner. Dodge dana 60 front axle parts diagram; Below we have listed the parts needed to rebuild a kingpin dana 60 with links to those parts.

Dana 60hd,35 spl,4.56 & up. Dana 60 axle builder (find compatible parts). The complete listing, with numbered diagram is below: . Front dana 60 parts list for build? Hey does anybody have a picture or link to a dana 60 front axle parts breakdown?

Below we have listed the parts needed to rebuild a kingpin dana 60 with links to those parts. Atlas Copco Set Of Parts Catalog Pdf Download
Atlas Copco Set Of Parts Catalog Pdf Download from www.epcatalogs.com
Hey does anybody have a picture or link to a dana 60 front axle parts breakdown? Dana 60 front axle parts. Dana 60hd,35 spl,4.56 & up. Welcome to the dana 60 corner. Front dana 60 parts list for build? Below we have listed the parts needed to rebuild a kingpin dana 60 with links to those parts. Dana 60 front axle diagram . The complete listing, with numbered diagram is below: .

Dodge dana 60 front axle parts diagram;

All parts interchange between all kingpin dana 60 front axles, be they gm, dodge, or ford. Welcome to the dana 60 corner. Dana 60 front axle parts. Dana 60 front axle diagram . Front dana 60 parts list for build? Dana 60hd,35 spl,4.56 & up. Dodge dana 60 front axle parts diagram; The complete listing, with numbered diagram is below: . Dana 60 axle builder (find compatible parts). Below we have listed the parts needed to rebuild a kingpin dana 60 with links to those parts. Hey does anybody have a picture or link to a dana 60 front axle parts breakdown? I can't seem to find one anywhere.

Dana 60 Parts Diagram - Billavista Com Dana 60 Front Axle Bible Tech Article By Billavista :. I can't seem to find one anywhere. Dana 60hd,35 spl,4.56 & up. Dana 60 axle builder (find compatible parts). The complete listing, with numbered diagram is below: . Dana 60 front axle diagram .

logoblog

Tidak ada komentar:

Posting Komentar